--
中文版
--
英文版
--
江苏通圆回转支承
三排柱式回转支承S系列-内齿式
三排柱式回转支承S系列-外齿式
三排柱式回转支承S系列-无齿式
⑴--回转支承结构型式 S:三排柱式 ⑵--传动型式代号 W:外齿式,N:内齿式,U:无齿式 ⑶--安装孔型式代号 A:内、外圈安装孔均为通孔 B:内、外圈安装孔均为螺孔 C:外圈安装孔为螺孔,内圈为通孔 D:外圈安装孔为通孔,内圈为螺孔 ⑷--上排滚道中心直径,mm ⑸--上排滚动体直径,mm
单排球式回转支承(01系列)
单排球式回转支承(hs系列)
单排球式回转支承(q系列)
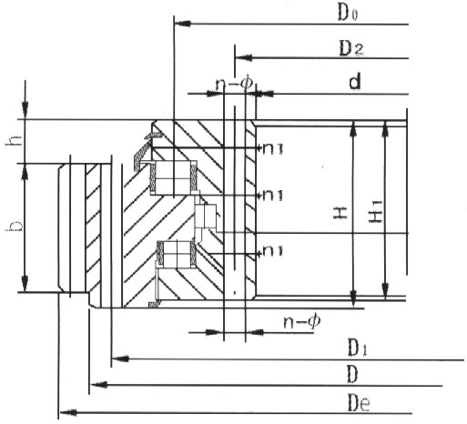
三排柱式回转支承(13系列)
三排柱式回转支承(s系列)
涡轮蜗杆系列回转支承
如果需要结构图与承载曲线图
请与我公司研发设计部联系!
|
友情连接
|通圆支承·版权所有|备案号:苏ICP备10011097号